Санузел — это одно из самых посещаемых мест в нашем доме. Так что его обустройство — очень важная вещь. В первую очередь стоит выбрать унитаз. Проще ориентироваться на стандартные размеры. Можно найти подходящие модели практически на любой вкус.
Виды и конструктивные особенности
Габариты унитазов зависят от конструкции. Так что ознакомиться с ними необходимо. Заодно выясним, какие из видов могут быть установлены в маленьких санузлах.

Форма чаши
Виды унитазов по сливу или форме чаши определяют удобство пользования и уровень «ароматов», которые могут быть. Также от формы зависят минимальные и максимальные размеры. Есть три типа чаш или слива:

- Тарельчатый или с полочкой. Слив смещен ближе к передней стенке, а чаша имеет выступ, который кто-то называет полочкой, а кто-то тарелкой. Отсюда и названия формы. При таком устройстве брызги будут при сливе, что неприятно, но хоть вы их не ощутите. Однако унитаз с полочкой — самый «ароматный». Экскременты остаются «на полочке» пока не смоется, так что запах интенсивный.
- Козырьковый. Слив тоже ближе к передней стенке, но задняя стенка чаши ровная, с небольшим наклоном в сторону сливной воронки. При такой конструкции отходы попадают на заднюю стенку и по ней сползают в воду. Всплеска нет, запах присутствует, но не такой интенсивный. Следы-то остаются, хоть основной источник находится в воде.
- Воронкообразный. Форма чаши такого унитаза похожа на обычную воронку. Слив почти посередине. Запаха почти не будет, зато всплеск вы ощутите на себе. В прямом смысле. Бороться с брызгами можно либо сдвинувшись вперед/назад, как позволяют габариты (ваши и унитаза), или бросив предварительно в воду кусок туалетной бумаги.
Какой унитаз лучше выбрать? В общем-то, неплох козырьковый. Без всплесков, с терпимым уровнем «аромата». Правда, после каждого использования придется использовать ершик. Но к этой процедуре быстро привыкаешь.
Способ установки
По способу монтажа есть два типа унитазов: напольные и подвесные. С напольными все понятно, они устанавливаются на пол и закрепляются к нему же. Они бывают двух типов. Первый — привычный для нас с бачком на выносной полочке или с бачком на стене. Второй тип — пристенный. Этот вариант у нас появился недавно. Отличается тем, что задняя стенка почти полностью параллельна стене.

Подвесной или встроенный унитаз крепится не к стене, как может показаться, а к конструкции, которая спрятана за фальшстеной. Эта конструкция называется «инсталляция». Это металлический каркас, который фиксируется болтами к стенам и к полу. А уже на этот каркас крепится не только чаша, но и кнопка, и все трубы.
Выпуск
Это еще не все конструктивные особенности. Надо еще разобраться с выпуском. Это выходной патрубок, через который унитаз подключается к канализации. Наиболее компактные модели с вертикальным выходом патрубка. Самые длинные с косым. Но именно они более распространены, так как не надо поднимать канализационную трубу, а можно только поставить тройник, а в него завести гофру.
Форм выпусков унитаза тоже три: прямой, косой и вертикальный. Вертикальные сейчас большая редкость, хотя при желании можно найти и их. Этот стандарт применяют в Америке. Но под заказ можно все. Именно унитазы с вертикальным выпуском будут иметь, кстати, самую малую «глубину». И с таким выпуском обычно делают пристенные модели.

Как выбрать унитаз по выпуску? Если вы просто меняете унитаз, а канализацию переделывать не планируете, выбора, собственно, нет. Вам нужен с тем же выпуском, который был. Без вариантов. При замене труб канализации в квартире будет возможность поменять косой на прямой, или наоборот — прямой на косой. Но поставить вертикальный не получится — слив должен уходит вертикально вниз, то есть к вашим соседям внизу. Это значит, что придется делать замену и у них. Когда же стоит выбрать вертикальный слив? В частном доме — лучше на первом этаже. В подполе или подвале труба никому не будет мешать. А плюс такого типа уже озвучен — это минимальная «глубина».
Виды бачков для унитаза
Перед тем как разбираться со стандартными размерами унитаза, надо еще подумать о типе бачка. Это тоже влияет на размеры. Например, популярная модель компакт, далеко не самая «короткая». Тут пальма первенства у моделей с отдельным настенным бачком. Но надо еще учитывать трубу, с помощью которой бачок и унитаз соединяются.

В общем, есть три вида бачков для унитазов: раздельный (настенный), компакт и моноблок. Компакт и моноблок могут быть прямыми или угловыми. Угловые модели, как правило, самые маленькие. И уж именно они точно позволяют сэкономить место в маленьком туалете.
В чем отличия между бачками? Принципиальной разницы нет. Дело в предпочтениях хозяев, ну, и во внешнем виде. Моноблок — это когда чаша и бачок отлиты в единой форме и разъединяться не могут. Компакт — это когда бачок устанавливается на заднюю часть чаши. В таких моделях чаша имеет специальный выпуск позади с отверстиями для крепления бачка. Чем хорош такой вариант? Можно менять бачки. Не только если раскололся старый, но и если промахнулись с формой или объемом. Такое тоже бывает. Те же плюсы и у настенных бачков. С той лишь разницей, что придется их крепить и устанавливать соединительную трубу.

Есть, кстати, унитазы без бачков. Это не те, у которых они спрятаны в инсталляции, а те, которые напрямую подключены к водопроводу. Эта модель применяется в Германии, есть и у нас в некоторых общественных туалетах. Ее основное преимущество — экономия места. Как ни крути, а бачок занимает место. Если с пространством совсем худо, можно поставить такой. Правда, при условии, что давления для его работы в вашей системе достаточно.
Расстояния
Хорошо тем, у кого под санузел или туалет отведено большое помещение. Если же оно у вас не такое большое, необходимо знать минимальные допуски по расстоянию от унитаза до близлежащих «конструкций» и устройств.

- Между биде и унитазом должно быть не менее 25 см.
- Впереди должно быть не меньше 60 см свободного пространства. То есть расстояние от края чаши до двери или стены впереди — 60 см и больше.
- По бокам должно быть свободное пространство не менее 25 см. Этого маловато, но терпимо. Комфортное расстояние — 35 см.
Вот теперь рисуете план своего санузла, отмечаете минимальные расстояния и смотрите, какого размера унитаз встанет в ваш туалет. Так что все просто.
Стандартные размеры унитаза и минимальный размер туалета
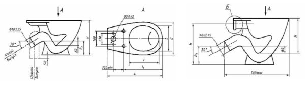
ГОСТ 30493-96 нормирует размеры только унитазов с полочкой. Еще есть те, которые устанавливают в вагонах, но они нам не нужны. Стандартные размеры унитаза с полочкой прописаны для двух вариантов: с цельноотлитой и с приставной. Вторая модель используется в комплекте с навесными/настенными бачками или вообще без них. Еще есть стандартные размеры детского унитаза. Они (детские) идут без полочки. Все размеры приведены в таблице. А чтобы понимать о чем речь, смотрим чертежи.

| С цельноотлитой полочкой для установки бачка (Компакт) | 150 | 330 | 435 | не менее 605 (может быть и 575 мм) | 260 | 340 и 360 | ||
| Без полочки (бачок навесной) | 370 и 400 | 320 и 350 | 460 | |||||
| Детский | 335 | 285 | 130 | 280 | 380 | 405 | 210 | 290 |
Итак, стандартный размер унитаза с полочкой (называют обычно «Компакт»):
- Длина — L — 605 мм. Это с учетом того, что модель компакт с выступом под установку бачка. Отдельно прописано, что можно выпускать более короткие модели длиной до 575 мм.
- Ширина — B — также два стандартных значения: 340 и 360 мм.
Высота унитазов не нормирована, но обычно в пределах 370-390 мм. Так что по стандарту, самый узкий унитаз — 340 мм, а самый короткий модели «компакт с полочкой и косым сливом» — 575 мм. Исходя из этих значений и минимально допустимых расстояний из предыдущего пункта, можем определить минимальные размеры туалета под установку такой модели. Начнем с вычисления ширины: 340 мм + 2*250 мм = 840 мм. То есть, расстояние между стенками не может быть меньше 84 см. Лучше, конечно, больше.
А по длине туалет должен быть 575 мм + 600 мм = 1175 мм. Но это без учета того, что надо еще канализационную трубу уложить и каким-то образом подключить слив. На это отведем еще 20 см. Итого получим, что минимальная длина туалетной комнаты 1175 мм + 200 мм = 1375 мм. В метрах это 1,375 м.

Стандартные размеры унитаза с настенным бачком существенно меньше: длина/глубина 460 мм, ширина 360 мм и 340 мм. То есть, помещение может быть короче. Минимальная его глубина — 1060 мм — это только под комфортную установку чаши, но надо еще трубы подключить, так что добавим еще 20 см. Итого, получим, что для установки унитаза с навесным настенным бачком комната должна быть не менее 126 * 84 см. А если у вас помещение более длинное, можно чудо сантехники выдвинуть назад, а за унитазом и/или над ним сделать шкафчик с полочками.
Каких размеров бывают унитазы
Стандартные размеры унитаза рассчитаны на людей среднего роста и комплекции. Далеко не все такие. Да и унитаз с полочкой, который описан в ГОСТе, далеко не лучший выбор в плане ароматов. А еще, в магазинах сегодня большая часть импортной продукции. И стандарты у них свои. Например, Европейский стандартный размер унитаза — 680*360*400 мм (это длина, ширина в самой широкой части и последняя цифра — высота). Американцы пошли еще дальше — у них обычная «глубина» это 768 мм, ширина 380 мм, высота ободка над полом все такая же — 36-38 см. Как видите, стандарты разные, да и не все делают по стандартам. Запросы у людей разные и рынок пытается их удовлетворить.

Размеры напольных моделей
Как понимаете, напольные модели унитазов разные и размеры у них тоже различные. Приведем диапазон, но не гарантируем, что более узких или более широких нет. Скорее всего, если задаться целью, можно найти и те, и другие.

Компакт
Унитаз типа Компакт (с бачком, который крепится сзади) имеет следующие габариты:
- длина — 610-645 мм;
- ширина от 345 мм до 420 мм;
- высота от 370 мм до 395 мм.
Обратите внимание, что самые узкие чаши больше похожи на прямоугольник. Они не такие округлые, как мы привыкли. Пользоваться ими довольно удобно. Только могут быть проблемы при покупке крышки. Такая форма встречается нечасто.

Без бачка
Унитаз без полочки с навесным или отдельным бачком имеет следующие размеры:
- длина 435-460 мм (на 20 см меньше моделей Компакт!);
- ширина 360-400 мм;
- высота ободка от уровня пола 350-390 м.

Как видите, они более компактные, несмотря на название, которое дали предыдущему варианту. Но такие модели менее популярны, так как бачок надо крепить, а это дополнительная головная боль. И раньше этот тип считался «пережитком», сейчас — это стильно и интересно. Есть очень интересные модели (правда, и стоят они интересно).
Моноблок
Есть еще напольные унитазы Моноблок. Они же в основном пристенные. Это те, у которых бачок и чаша неразъемные и одно является продолжением другого. Размеры унитазов Моноблок такие:
- длина — 665-720 мм;
- ширина (обычно бачок шире, но не всегда) — 360-420 мм;
- высота
- от пола до верха крышки — 700-870 мм;
- от пола до ободка чаши — 360-390 мм.

Эти модели маленькими не назовешь. Возможно, поэтому у нас они не слишком популярны. Как ни крути, отдельно чашу и бачок заносить легче, чем всю конструкцию в сборе. Зато вероятность течи меньше.
Размеры подвесных моделей
У подвесных унитазов надо смотреть размеры самой чаши и инсталляции. Они, обычно, идут в комплекте. И, как правило, больше вопросов возникает именно с инсталляцией. Собственно, размеры инсталляции зависят от планируемой нагрузки. Внешняя ненадежность и хрупкость обманчивы. Подвесной унитаз с усиленным каркасом может выдерживать вес до 400 кг, стандартные конструкции — до 200 кг, а суперпрочные — до 400 кг.

Размеры инсталляций для подвесных унитазов такие:
- высота — 1100-1250 мм;
- ширина 400-550 мм;
- глубина — 140-250 мм.
Это средние значения. Есть еще узкие инсталляции — они могут быть от 345 мм. Правда «грузоподъемность» их около 120-150 кг. А те, которые встречаются, чаще всего шириной около 50 см. Как видите, не слишком много места они занимают.

Теперь о размерах чаши подвесных унитазов. Она имеет такие габариты:
- длина 480-560 мм;
- ширина 356-430 мм.
Высота чаши подвесного унитаза может быть разной. Зависит от стиля. Есть чаши почти плоские, высотой 290-320 мм, есть средние — 340-365 мм. Причем вид у них самый разный: квадратные, округлые, овальные, суженные к низу или скругленные, больше похожие на шайбу.
Могут возникнуть еще вопросы относительно того, на какой высоте располагать подвесной встроенный унитаз относительно пола. Не стоит беспокоиться. Высота «выберется» автоматически. Будет она зависеть от габаритов чаши и расположения отверстия под канализационный выход в инсталляции. Вам надо будет только проследить, чтобы они были совместимы (одинакового размера и чтобы нижняя часть чаши не «лежала» на полу).
- Сантехника
